
Hot-swappable I2C and SMBus bus buffers are supported
I2C bus standard mode, fast mode, and bidirectional data transmission are supported
1V pre-charging on all SDA and SCL lines is supported to prevent hot-swapping damage
The high-impedance state of the I2C pin after power-down is supported
Clock stretching, arbitration, and synchronization are supported
Operating voltage: 2.3-5.5V
Operating temperature: -40°C~85°C
Package: MSOP8
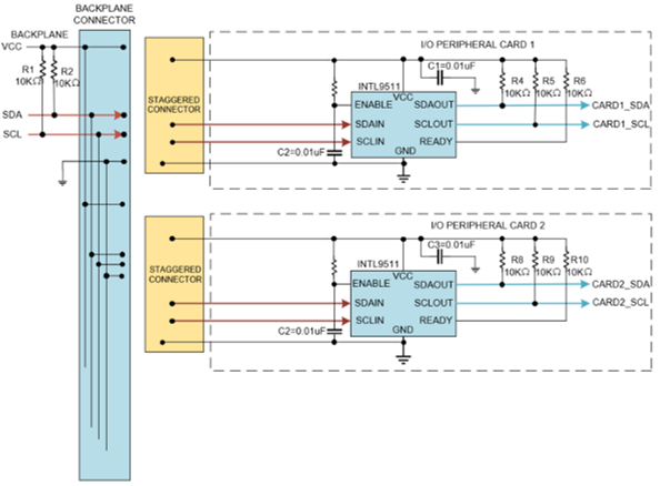
The INTL9511 is a hot-swappable I2C bus buffer that supports the insertion of I/O cards into a powered backplane without damaging data or clock lines. The control circuit prevents the backplane-side I2C line (input) from directly connecting to the board-side I2C line (output) (until a stop command or bus idle condition appears on the backplane), without causing bus frame errors on the board. When the I2C bus is idle, the INTL9511 can be placed in an off mode by setting the EN pin to a low level, thus reducing power consumption. When EN is pulled high, the INTL9511 resumes normal operation.

Application Diagram
Server
Storage
Switch
Router
Base station
Industrial automation
Copyright © 2019-2025 成都mile米乐微电子科技股份有限公司 版权所有 备案编号: 蜀ICP备2022009451号 川公网安备 51019002004893号